[thumbnail]http://i69.servimg.com/u/f69/13/71/82/14/bmwjui11.jpg[/thumbnail]
Quand ça fait "KLONG" en appuyant sur le bouton (résolu)
Re: Quand ça fait "KLONG" en appuyant sur le bouton
Ha ouais...l'est où le kick ?
[thumbnail]http://i69.servimg.com/u/f69/13/71/82/14/bmwjui11.jpg[/thumbnail]
[thumbnail]http://i69.servimg.com/u/f69/13/71/82/14/bmwjui11.jpg[/thumbnail]
L’apéro est bon pour la vue.
C’est un excellent verre de contact.
C’est un excellent verre de contact.
- Lippo
- Messages : 15042
- Inscription : 06 mars 2013, 13:40
- Localisation : Dans le nord ouest, près d'une mer qui passe son temps à se barrer !
Re: Quand ça fait "KLONG" en appuyant sur le bouton
Elle est MODERNE... donc y en a pas !
Sur la 1150 GS y en pas non plus d'ailleurs !
T'as ça sur ta véranda, toi ?
Sur la 1150 GS y en pas non plus d'ailleurs !
T'as ça sur ta véranda, toi ?
Avant notre venue rien ne manquait au monde.
Après notre départ rien ne lui manquera.
Sois heureux un instant. Cet instant, c'est ta vie ! Omar Khayyam
Après notre départ rien ne lui manquera.
Sois heureux un instant. Cet instant, c'est ta vie ! Omar Khayyam
- Lippo
- Messages : 15042
- Inscription : 06 mars 2013, 13:40
- Localisation : Dans le nord ouest, près d'une mer qui passe son temps à se barrer !
Re: Quand ça fait "KLONG" en appuyant sur le bouton
L'est pas jeune la photo !Dom a écrit :
[thumbnail]http://i69.servimg.com/u/f69/13/71/82/14/bmwjui11.jpg[/thumbnail]
Les frontières étaient encore ouvertes et on pouvait aller à l'étranger !
Avant notre venue rien ne manquait au monde.
Après notre départ rien ne lui manquera.
Sois heureux un instant. Cet instant, c'est ta vie ! Omar Khayyam
Après notre départ rien ne lui manquera.
Sois heureux un instant. Cet instant, c'est ta vie ! Omar Khayyam
Re: Quand ça fait "KLONG" en appuyant sur le bouton
Et ouiLippo a écrit :
T'as ça sur ta véranda, toi ?
L’apéro est bon pour la vue.
C’est un excellent verre de contact.
C’est un excellent verre de contact.
- Lippo
- Messages : 15042
- Inscription : 06 mars 2013, 13:40
- Localisation : Dans le nord ouest, près d'une mer qui passe son temps à se barrer !
Re: Quand ça fait "KLONG" en appuyant sur le bouton
Quel vieille bite homme amoureux des vieilles choses ce Dom !Dom a écrit :Et ouiLippo a écrit :
T'as ça sur ta véranda, toi ?
Avant notre venue rien ne manquait au monde.
Après notre départ rien ne lui manquera.
Sois heureux un instant. Cet instant, c'est ta vie ! Omar Khayyam
Après notre départ rien ne lui manquera.
Sois heureux un instant. Cet instant, c'est ta vie ! Omar Khayyam
Re: Quand ça fait "KLONG" en appuyant sur le bouton
Tu veux rire !
Elle est plus jeune que ta 75/6 MODERNE
Elle est plus jeune que ta 75/6 MODERNE
L’apéro est bon pour la vue.
C’est un excellent verre de contact.
C’est un excellent verre de contact.
- Lippo
- Messages : 15042
- Inscription : 06 mars 2013, 13:40
- Localisation : Dans le nord ouest, près d'une mer qui passe son temps à se barrer !
Re: Quand ça fait "KLONG" en appuyant sur le bouton
Ouaip, je sais, c'est ce qu'on appelle une "véranda vintage" en fait...
............ c'est récent mais ça fait vieux !

............ c'est récent mais ça fait vieux !
Avant notre venue rien ne manquait au monde.
Après notre départ rien ne lui manquera.
Sois heureux un instant. Cet instant, c'est ta vie ! Omar Khayyam
Après notre départ rien ne lui manquera.
Sois heureux un instant. Cet instant, c'est ta vie ! Omar Khayyam
Re: Quand ça fait "KLONG" en appuyant sur le bouton
Récent..récent..........faut peut être pas exagérer 
L’apéro est bon pour la vue.
C’est un excellent verre de contact.
C’est un excellent verre de contact.
- Lippo
- Messages : 15042
- Inscription : 06 mars 2013, 13:40
- Localisation : Dans le nord ouest, près d'une mer qui passe son temps à se barrer !
Re: Quand ça fait "KLONG" en appuyant sur le bouton
C'est sur que par rapport à ta date de naissance, c'est quand même très très récent !Dom a écrit :Récent..récent..........faut peut être pas exagérer


Avant notre venue rien ne manquait au monde.
Après notre départ rien ne lui manquera.
Sois heureux un instant. Cet instant, c'est ta vie ! Omar Khayyam
Après notre départ rien ne lui manquera.
Sois heureux un instant. Cet instant, c'est ta vie ! Omar Khayyam
Re: Quand ça fait "KLONG" en appuyant sur le bouton
Tu peux parler toi

L’apéro est bon pour la vue.
C’est un excellent verre de contact.
C’est un excellent verre de contact.
- Lippo
- Messages : 15042
- Inscription : 06 mars 2013, 13:40
- Localisation : Dans le nord ouest, près d'une mer qui passe son temps à se barrer !
Re: Quand ça fait "KLONG" en appuyant sur le bouton
T'as pas tortDom a écrit :Tu peux parler toi![]()
Mais moi, j'assume ma cacochymie, je roule avec un vieux machin, moderne mais vieux !
Avant notre venue rien ne manquait au monde.
Après notre départ rien ne lui manquera.
Sois heureux un instant. Cet instant, c'est ta vie ! Omar Khayyam
Après notre départ rien ne lui manquera.
Sois heureux un instant. Cet instant, c'est ta vie ! Omar Khayyam
Re: Quand ça fait "KLONG" en appuyant sur le bouton
Un vieillard cacochyme en clair 
L’apéro est bon pour la vue.
C’est un excellent verre de contact.
C’est un excellent verre de contact.
- Lippo
- Messages : 15042
- Inscription : 06 mars 2013, 13:40
- Localisation : Dans le nord ouest, près d'une mer qui passe son temps à se barrer !
Re: Quand ça fait "KLONG" en appuyant sur le bouton
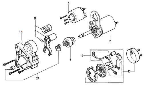
A votre avis ?
On a déduit avec Pizza que c'était le contacteur qui déconnait.
Or, une fois sur l'établi Pizza à constaté qu'il fonctionnait.
Donc, en quoi le fait de le changer pourrait il changer quelque chose puisque le contact se fait ?
Le contacteur dont Pizza a indiqué la référence c'est la pièce 4 sur le schéma.
Je m'interroge ....
On a déduit avec Pizza que c'était le contacteur qui déconnait.
Or, une fois sur l'établi Pizza à constaté qu'il fonctionnait.
Donc, en quoi le fait de le changer pourrait il changer quelque chose puisque le contact se fait ?
Le contacteur dont Pizza a indiqué la référence c'est la pièce 4 sur le schéma.
Je m'interroge ....
Avant notre venue rien ne manquait au monde.
Après notre départ rien ne lui manquera.
Sois heureux un instant. Cet instant, c'est ta vie ! Omar Khayyam
Après notre départ rien ne lui manquera.
Sois heureux un instant. Cet instant, c'est ta vie ! Omar Khayyam
- PizzaRoller
- Messages : 1076
- Inscription : 10 mars 2013, 18:07
- Localisation : Toulouse
- Contact :
Re: Quand ça fait "KLONG" en appuyant sur le bouton
Sur l'établi, rien n'empêche le pignon d'aller à fin de course alors que sur la moto, le pignon vient sur la couronne du volant moteur, ça peut l'empêcher d'aller vraiment à fond.
- Lippo
- Messages : 15042
- Inscription : 06 mars 2013, 13:40
- Localisation : Dans le nord ouest, près d'une mer qui passe son temps à se barrer !
Re: Quand ça fait "KLONG" en appuyant sur le bouton
Oui, c'est ce qu tu m'as expliqué...PizzaRoller a écrit :Sur l'établi, rien n'empêche le pignon d'aller à fin de course alors que sur la moto, le pignon vient sur la couronne du volant moteur, ça peut l'empêcher d'aller vraiment à fond.
mais justement c'est ce que tu dis qui me fait me demander si le problème ne vendrait pas d'autre chose, (ressort, fourchette...ou que sais je) ?
Avant notre venue rien ne manquait au monde.
Après notre départ rien ne lui manquera.
Sois heureux un instant. Cet instant, c'est ta vie ! Omar Khayyam
Après notre départ rien ne lui manquera.
Sois heureux un instant. Cet instant, c'est ta vie ! Omar Khayyam
- PizzaRoller
- Messages : 1076
- Inscription : 10 mars 2013, 18:07
- Localisation : Toulouse
- Contact :
Re: Quand ça fait "KLONG" en appuyant sur le bouton
Les pièces ne semblent pas usées, la fourchette est en plastique (comme chez Mc Do
) et non plus, pas de traces d'usure visible.
t'as essayé en reculant un peu le démarreur avec des rondelles. ça confirmerai la théorie.
t'as essayé en reculant un peu le démarreur avec des rondelles. ça confirmerai la théorie.
- Lippo
- Messages : 15042
- Inscription : 06 mars 2013, 13:40
- Localisation : Dans le nord ouest, près d'une mer qui passe son temps à se barrer !
Re: Quand ça fait "KLONG" en appuyant sur le bouton
Oui, c'est que je disais page précédente, malgré l'astuce des rondelles, Klong et toujours Klong, à une rondelle ou deux rondelles ou sans rondelles le démarreur reculé tenu à la main... Klong ! 
Avant notre venue rien ne manquait au monde.
Après notre départ rien ne lui manquera.
Sois heureux un instant. Cet instant, c'est ta vie ! Omar Khayyam
Après notre départ rien ne lui manquera.
Sois heureux un instant. Cet instant, c'est ta vie ! Omar Khayyam
- PizzaRoller
- Messages : 1076
- Inscription : 10 mars 2013, 18:07
- Localisation : Toulouse
- Contact :
Re: Quand ça fait "KLONG" en appuyant sur le bouton
Alors la théorie est fumeuse
Ça devient bizarre, ce problème
Ça devient bizarre, ce problème
Re: Quand ça fait "KLONG" en appuyant sur le bouton
Si vous ne l'avez pas lu, voilà un peu de lecture: http://guzzitek.org/bible/Demarreur.pdf
Très capricieuses les Guzzi............c'est souvent gouzi gouza
Très capricieuses les Guzzi............c'est souvent gouzi gouza
L’apéro est bon pour la vue.
C’est un excellent verre de contact.
C’est un excellent verre de contact.
- Lippo
- Messages : 15042
- Inscription : 06 mars 2013, 13:40
- Localisation : Dans le nord ouest, près d'une mer qui passe son temps à se barrer !
Re: Quand ça fait "KLONG" en appuyant sur le bouton
Je l'ai, bien sûr, mais ça n'explique pas vraiment... 
Avant notre venue rien ne manquait au monde.
Après notre départ rien ne lui manquera.
Sois heureux un instant. Cet instant, c'est ta vie ! Omar Khayyam
Après notre départ rien ne lui manquera.
Sois heureux un instant. Cet instant, c'est ta vie ! Omar Khayyam
Re: Quand ça fait "KLONG" en appuyant sur le bouton
Il y a des pistes à suivre sur ce forum: http://www.forumguzzi.fr/index.php
L’apéro est bon pour la vue.
C’est un excellent verre de contact.
C’est un excellent verre de contact.
- Lippo
- Messages : 15042
- Inscription : 06 mars 2013, 13:40
- Localisation : Dans le nord ouest, près d'une mer qui passe son temps à se barrer !
Re: Quand ça fait "KLONG" en appuyant sur le bouton
Parcouru avec attention plusieurs fois, rien d’intéressant pour ce cas de figure.
Avant notre venue rien ne manquait au monde.
Après notre départ rien ne lui manquera.
Sois heureux un instant. Cet instant, c'est ta vie ! Omar Khayyam
Après notre départ rien ne lui manquera.
Sois heureux un instant. Cet instant, c'est ta vie ! Omar Khayyam
Re: Quand ça fait "KLONG" en appuyant sur le bouton
bin si quand même, il semblerait bien d'après ce que j'ai lu que ton problème soit d'origine électrique.
Il y a une merde dans ton circuit.
La preuve s'il en est, c'est que le fusible du relais de démarreur avait cramé; donc, surchauffe quelque part.
Manifestement, il n'y a pas assez de jus, lorsque le démarreur est en place sur la bête, pour lancer le bouzin.
Tu l'as vu ce topic http://forumguzzi.fr/viewtopic.php?f=6&t=2692&start=10 avec les deux vidéos de test ?
Il y a une merde dans ton circuit.
La preuve s'il en est, c'est que le fusible du relais de démarreur avait cramé; donc, surchauffe quelque part.
Manifestement, il n'y a pas assez de jus, lorsque le démarreur est en place sur la bête, pour lancer le bouzin.
Tu l'as vu ce topic http://forumguzzi.fr/viewtopic.php?f=6&t=2692&start=10 avec les deux vidéos de test ?
L’apéro est bon pour la vue.
C’est un excellent verre de contact.
C’est un excellent verre de contact.
Re: Quand ça fait "KLONG" en appuyant sur le bouton
Et hop, encore un peu de lecture: Le clac du démarreur et plus rien
L’apéro est bon pour la vue.
C’est un excellent verre de contact.
C’est un excellent verre de contact.
- Lippo
- Messages : 15042
- Inscription : 06 mars 2013, 13:40
- Localisation : Dans le nord ouest, près d'une mer qui passe son temps à se barrer !
Re: Quand ça fait "KLONG" en appuyant sur le bouton
Ben je l'avais loupé ce post
faut dire que mélager toutes les Calif depuis 40 ans c'est pas le plus pratique, et comme la base de la mienne c'est un EV, j'ai survolé trop rapidement les III
Bon, on va faite les tests à l'occasion !
faut dire que mélager toutes les Calif depuis 40 ans c'est pas le plus pratique, et comme la base de la mienne c'est un EV, j'ai survolé trop rapidement les III
Bon, on va faite les tests à l'occasion !
Avant notre venue rien ne manquait au monde.
Après notre départ rien ne lui manquera.
Sois heureux un instant. Cet instant, c'est ta vie ! Omar Khayyam
Après notre départ rien ne lui manquera.
Sois heureux un instant. Cet instant, c'est ta vie ! Omar Khayyam
Re: Quand ça fait "KLONG" en appuyant sur le bouton
Le deuxième que je t'ai indiqué est fort instructif, même si c'est pour une Bréva.Lippo a écrit :Ben je l'avais loupé ce post![]()
Les bases de raisonnement sont les mêmes........
L’apéro est bon pour la vue.
C’est un excellent verre de contact.
C’est un excellent verre de contact.
- Lippo
- Messages : 15042
- Inscription : 06 mars 2013, 13:40
- Localisation : Dans le nord ouest, près d'une mer qui passe son temps à se barrer !
Re: Quand ça fait "KLONG" en appuyant sur le bouton
Ouaip, toujours cette petite perte d'un volt qui créerait le problème ?
Le relais serait donc sans doute responsable de la chose...
A vérifier tout ça !
Merci pour les liens en tout cas !
Le relais serait donc sans doute responsable de la chose...
A vérifier tout ça !
Merci pour les liens en tout cas !
Avant notre venue rien ne manquait au monde.
Après notre départ rien ne lui manquera.
Sois heureux un instant. Cet instant, c'est ta vie ! Omar Khayyam
Après notre départ rien ne lui manquera.
Sois heureux un instant. Cet instant, c'est ta vie ! Omar Khayyam
Re: Quand ça fait "KLONG" en appuyant sur le bouton
Ne pas négliger la piste du bouton de démarreur.
L’apéro est bon pour la vue.
C’est un excellent verre de contact.
C’est un excellent verre de contact.
- Lippo
- Messages : 15042
- Inscription : 06 mars 2013, 13:40
- Localisation : Dans le nord ouest, près d'une mer qui passe son temps à se barrer !
Re: Quand ça fait "KLONG" en appuyant sur le bouton
Bon, le contact du solénoïde fonctionne bien, la mob à démarrée nickel en connectant directement comme sur la vidéo.
Faut maintenant que je regarde s'il pourrait s'agir du relais... mais des relais y en a plein
... avec rien d'écrit dessus !
Bon, on va essayer de les trouver sur le schéma du circuit électrique... mais j'ai comme un doute sur mas capacités, là !
Faut maintenant que je regarde s'il pourrait s'agir du relais... mais des relais y en a plein
Bon, on va essayer de les trouver sur le schéma du circuit électrique... mais j'ai comme un doute sur mas capacités, là !
Avant notre venue rien ne manquait au monde.
Après notre départ rien ne lui manquera.
Sois heureux un instant. Cet instant, c'est ta vie ! Omar Khayyam
Après notre départ rien ne lui manquera.
Sois heureux un instant. Cet instant, c'est ta vie ! Omar Khayyam
- Lippo
- Messages : 15042
- Inscription : 06 mars 2013, 13:40
- Localisation : Dans le nord ouest, près d'une mer qui passe son temps à se barrer !
Re: Quand ça fait "KLONG" en appuyant sur le bouton (résolu)
Alors, on prend chaque relais un a un, on teste, et on passe au suivant !
Ben... c'est pas le relais...
Donc, contrairement à mes habitudes, je me met à réfléchir et sachant que c'est une injection, si tout fonctionne et que ça fait "KLONG", c'est que l'ECU (le machin électronique qui gère tout) constate une perte de courant quelque part.
Donc, on part du début, à savoir, vérification de la batterie, et pour cela la tester. En la démontant, je vérifie l'état des 3 fils, le gros, le moyen, le petit.
Le gros, un peu de sulfate de cuivre au sertissage, mais propre
Le moyen: RAS
Le petit: en retirant du petit la vis de serrage, je m’aperçois qu'il y a collé à l’œil du fil, une espèce de rondelle hyper fine collée à celui çi (comme si en fait l’œil s'était dédoublé ???)
Bref, cette rondelle minuscule et hyper fine, même avec mes lunettes, impossible de déterminer son état ni le type de métal.
Donc je la vire, papier de verre 80 sur la cosse, je te l'astique recto verso pour la faire briller.
Un p'tit coup vite fait sur les autres puisqu'on y est.
Je remonte les cosses en perdant évidemment l'écrou de 10 du négatif, (vu que ça fait 10 fois en 3 jours que je monte et démonte, fallait bien que ça arrive) je met le contact, appuie sur le bouton et ça démarre du premier coup !
Bref, la morale de cette histoire c'est que sur les meules à injection... faut une loupe pour vérifier les contacts car la moindre trace d'oxydation....
Du coup j'ai un écrou de 10 coincé quelque part... espérons qu'il se barre tout seul en un endroit non létal pour la mob !
Merci à tous en tout cas pour le coup de main.

Ben... c'est pas le relais...
Donc, contrairement à mes habitudes, je me met à réfléchir et sachant que c'est une injection, si tout fonctionne et que ça fait "KLONG", c'est que l'ECU (le machin électronique qui gère tout) constate une perte de courant quelque part.
Donc, on part du début, à savoir, vérification de la batterie, et pour cela la tester. En la démontant, je vérifie l'état des 3 fils, le gros, le moyen, le petit.
Le gros, un peu de sulfate de cuivre au sertissage, mais propre
Le moyen: RAS
Le petit: en retirant du petit la vis de serrage, je m’aperçois qu'il y a collé à l’œil du fil, une espèce de rondelle hyper fine collée à celui çi (comme si en fait l’œil s'était dédoublé ???)
Bref, cette rondelle minuscule et hyper fine, même avec mes lunettes, impossible de déterminer son état ni le type de métal.
Donc je la vire, papier de verre 80 sur la cosse, je te l'astique recto verso pour la faire briller.
Un p'tit coup vite fait sur les autres puisqu'on y est.
Je remonte les cosses en perdant évidemment l'écrou de 10 du négatif, (vu que ça fait 10 fois en 3 jours que je monte et démonte, fallait bien que ça arrive) je met le contact, appuie sur le bouton et ça démarre du premier coup !

Bref, la morale de cette histoire c'est que sur les meules à injection... faut une loupe pour vérifier les contacts car la moindre trace d'oxydation....
Du coup j'ai un écrou de 10 coincé quelque part... espérons qu'il se barre tout seul en un endroit non létal pour la mob !
Merci à tous en tout cas pour le coup de main.
Avant notre venue rien ne manquait au monde.
Après notre départ rien ne lui manquera.
Sois heureux un instant. Cet instant, c'est ta vie ! Omar Khayyam
Après notre départ rien ne lui manquera.
Sois heureux un instant. Cet instant, c'est ta vie ! Omar Khayyam